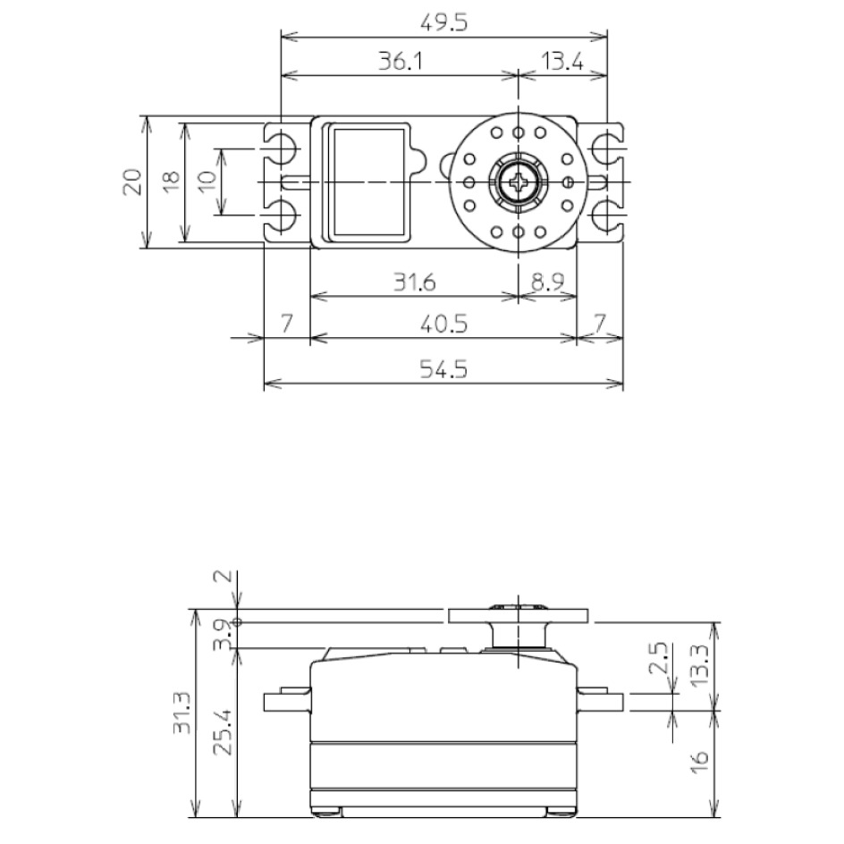
フタバ(Futaba)/107382-3/S9571SV SRモード対応EPカー用S.BUS方式ロープロデジタルサーボ [戻る]